WATTCO Temperature Control Panels come with the following options:
Also read: Temperature and Power Controls for Industrial Electric Heating

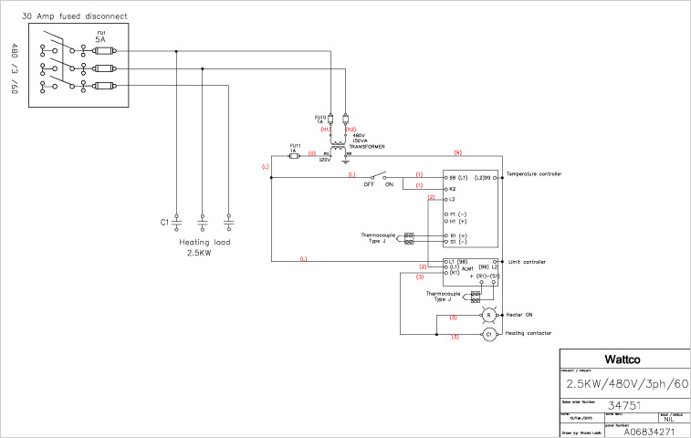
There are a number of inputs in controllers. The type of the control process will always determine the type of input of sensor that is involved. The common input sensors used in these controllers include resistive thermal devices and thermocouples. Other inputs may include linear ones such as mV and mA. There are a number of thermocouple types that can be used in these controllers, the most common ones include J, K, T, S, R, B and L types.